Ci impegniamo a fornire una soluzione Trinity a "resistenza alla pressione di protezione" a lungo termine "per ogni scenario che richiede la rotazione delle guarnizioni rotanti. Attraverso oltre 200 formule materiali e brevetti strutturali, aiutiamo i clienti a ridurre i tassi di fallimento e a raggiungere l'ottimizzazione del TCO. L'intera serie di modelli di prodotti è molto diversificata. Puoi scegliere in base alle esigenze effettive o personalizzare le guarnizioni rotanti da noi.
RCR101 Scheletro rotante SCHED SINGOLO SINGOLO, ACPAGGIO singolo, installazione della scanalatura aperta assiale, ampiamente utilizzata, per lo più utilizzata come elemento protettivo per i cuscinetti.
SCR102 SCHELETRO ROTARY SCHEMA DOPPIO LASCO, ACTINAZIONE SINGOLA, con labbro ausiliario a prova di polvere, installazione della scanalatura aperta assiale, ampiamente utilizzata, per lo più utilizzata come elemento protettivo per i cuscinetti.
RCR103 TEATO ROTARIO, doppia recitazione, con anello di supporto, migliore effetto di tenuta in condizioni di tenuta rotante ad alta pressione.
RCR104, guarnizione rotante RCR105, doppia recitazione, scanalatura stretta, incorporamento della scanalatura stabile e superficie di tenuta dentata.
RCR106, guarnizione rotante a forma di V RCR107, movimento assiale, modulo elastico di grandi dimensioni, resistenza all'attrito, polvere, inquinanti, schizzi d'acqua, schizzi di olio, ecc.
RCR108 SEAL ROTARY, singola recitazione, nessuna molla, l'interferenza delle labbra interne ed esterne viene determinata in base a diverse condizioni di lavoro.
O-ring RCR109, anello elastico utilizzato principalmente per sigillatura statica o sigillatura dinamica, selezione del mezzo di temperatura flessibile. Per scanalature dettagliate, fare riferimento al campione O-ring.
RCR110 TETRAFLUOROTHELENE TEAL di tetrafluoroetilene per albero, doppia recitazione, adatto a scanalature strette.
RCR111 TETRAFLUOROTHELENE TEAL di foro, doppio recitazione, adatto a scanalature strette.
RCR112 SEAL ROTARY, doppia recitazione, scanalatura stretta, adatto a condizioni di lavoro lubrificate.
RCR113 SEAL ROTARY, a doppia recitazione, con anello di supporto, incorporamento della scanalatura stabile, consentendo uno spazio di estrusione e una pressione più ampi, utilizzati principalmente sull'albero rotante delle apparecchiature di scavo.
RCR115 TETRAFLUOROETHELENE TEAGLIO PER ALBERO, ACPRIZIONE DOPPIO, ATTIVITÀ A LITRO, ANTI-SIDE ALTA PRESSIONE, CORROSIONE ATTO AUTTERE.
RCR116 TETRAFLUOROTHILENE TEAGLIO DI TETRAFLOROELENE PER COLO, ACTRO DOPPIO, ATTENZIONE A PASSO, ANTI-SIDE ALTA PRESSIONE, CORROSIONE DI TEMPPORLA ANTI-ALTA.
RCR117, sigillo PTFE rotante RCR121, con molla mander, recitazione singola, resistenza alla corrosione ad alta temperatura, adatta a velocità relativamente elevata e alta pressione.
RCR118 Fine PTFE Sigillo rotante, con molla mander, recitazione singola, resistenza alla corrosione ad alta temperatura, utilizzata principalmente nell'industria chimica.
RCR119 Scheletro rotante SCHEDA LIPPILE SINGOLO, ACTINAZIONE SINGOLA, INSTALLAZIONE DELLA GROOVE ASSIALE, ampiamente utilizzata, per lo più utilizzata come elemento protettivo per i cuscinetti.
RCR201, RCR202 Scheletro rotante a doppio labbro, singolo recitazione, con labbro ausiliario a prova di polvere, installazione assiale della scanalatura aperta, ampiamente utilizzata, per lo più utilizzata come elemento protettivo per i cuscinetti.
RCR203, RCR204 SCHETTRO SCHETOLO SCHETTERO ROTARIO SEALITÀ SINGOLO, ACTINAZIONE SINGOLA, INSTALLAZIONE FISSATA ASSIALE ASSIAL OPPEN CROOVE, utilizzata principalmente in settori pesanti come la metallurgia e la costruzione navale.
SCR205 ROT-OFF SCHETTER SCHELETRO SCHEDE SINGOLO SPECHIO, SINGOLO ACTISIONE, INSTALLAZIONE FISSATA ASSIALE ASSIAL OPEN COLAVE, utilizzato principalmente in industrie pesanti come la metallurgia e la costruzione navale.
RCR206, RCR207 Calcole a singolo labbro rotante senza cornice, singolo recitazione, impianto fisso per la scanalatura aperta assiale, utilizzata principalmente in settori pesanti come la metallurgia e la costruzione navale. Adatto per la tenuta a bassa velocità, il mezzo di tenuta è grasso a base di litio.
Funzionalità e applicazioni del prodotto:
Applicazioni principali
Le guarnizioni rotanti della rotazione sono adatte per la guarnizione dell'estremità dell'albero rotante, la guarnizione dell'albero rotante, gli scavatori, i colpi, i giunti rotanti, i distributori rotanti e questo tipo di tenuta viene spesso utilizzato nelle industrie petrolifere e chimiche
Vantaggi
Le guarnizioni rotanti hanno una vasta gamma di media adattabili e gamme di temperatura, un buon effetto di tenuta, una resistenza ad alta pressione, dimensioni ridotte della sezione trasversale, resistenza all'olio idraulico, bassa attrito e nessun fenomeno a slittamento.

RCR101
Dimensione dell'ordine
Φd ...... diametro esterno
Φd ...... diametro interno
L ...... larghezza della scanalatura
|
Finitura superficiale |
R tmax (μm) |
RA (μm) |
|
Guarni di gomma/poliuretanica abbinati a scorrimento scorrevole Sollegamenti di PTFE per corrispondenza scorrevole |
≤2,5
≤2 |
≤0.1-0.5
≤0,05-0.3 |
|
Groove Bottom Strano di scanalatura |
≤6.3 ≤15 |
≤1.6 ≤3 |
|
Rapporto di lunghezza del supporto del profilo TP |
50%-95% |
|
|
Tolleranza |
|
|
Φd |
F8 |
|
Φd |
H8 |
Esempio di ordinazione
Modello: RCR101
Dimensione della scanalatura: 100x115x8
Materiale: NBR/pom

Tipo di tenuta: RCR101, RCR102
Applicazione principale: adatto per la sigillatura dell'estremità dell'albero rotante
Vantaggi: adatto per una vasta gamma di supporti, un ampio intervallo di temperature e un buon effetto di tenuta
Materiale: poliuretano, gomma/poliossimetilene
|
Esempi di groove sigilla |
Di seguito sono riportate le dimensioni della scanalatura standard (è possibile produrre guarnizioni rotanti di qualsiasi dimensione all'interno dell'intervallo di dimensioni) |
|||||
|
|
|
Φd |
Φd |
L |
c/s |
|
|
6-59.9 |
Φd+12 |
7 |
6 |
|||
|
60-139,9 |
Φd+15 |
8 |
7.5 |
|||
|
140-299.9 |
Φd+20 |
10 |
10 |
|||
|
300-499,9 |
Φd+30 |
12 |
15 |
|||
|
500-800 |
Φd+40 |
20 |
20 |
|||
|
> 800 |
Φd+50 |
22 |
25 |
|||

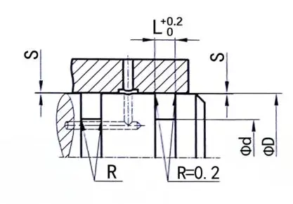
RCR115
Dimensione dell'ordine
Φd ...... diametro esterno
Φd ...... diametro interno
L ...... larghezza della scanalatura
|
Finitura superficiale |
R tmax (μm) |
RA (μm) |
|
Guarni di gomma/poliuretanica abbinati a scorrimento scorrevole Sollegamenti di PTFE per corrispondenza scorrevole |
≤2,5
≤2 |
≤0.1-0.5
≤0,05-0.3 |
|
Groove Bottom Strano di scanalatura |
≤6.3 ≤15 |
≤1.6 ≤3 |
|
Rapporto di lunghezza del supporto del profilo TP |
50%-95% |
|
|
Tolleranza |
|
|
Φd |
F8 |
|
Φd |
H8 |
Esempio di ordinazione
Modello: RCR115
Dimensione della scanalatura: 100x111x4.2
Materiale: ptfe4+nbr

Tipo di sigillo: RCR115
Applicazione principale: adatto per guarnizioni dell'albero rotante, escavatori, colpi, giunti girevoli.
Vantaggi: può resistere all'alta pressione, ha dimensioni ridotte della sezione trasversale, è resistente all'olio idraulico, ha un basso attrito e nessun fenomeno a stick.
Materiale: tetrafluoroetilene + gomma nitrile o fluorobber
|
Esempi di groove sigilla |
Di seguito sono riportate le dimensioni della scanalatura standard (è possibile produrre guarnizioni rotanti di qualsiasi dimensione all'interno dell'intervallo di dimensioni) |
||||||||
|
|
|
Φd |
Φd |
L |
R |
X |
Gap massima di estrusione s |
||
|
100 bar |
200 bar |
||||||||
|
6-18.9 |
Φd+4.9 |
2.2 |
0.4 |
1.78 |
0.15 |
0.10 |
|||
|
19-37.9 |
Φd+7.5 |
3.2 |
0.6 |
2.62 |
0.20 |
0.15 |
|||
|
38-199.9 |
Φd+11 |
4.2 |
1.0 |
3.53 |
0.25 |
0.20 |
|||
|
200-255.9 |
Φd+15,5 |
6.3 |
1.3 |
5.33 |
0.30 |
0.25 |
|||
|
256-649.9 |
Φd+21 |
8.1 |
1.8 |
7.00 |
0.30 |
0.25 |
|||
|
> 650 |
Φd+28 |
9.5 |
2.5 |
8.40 |
0.45 |
0.30 |
|||

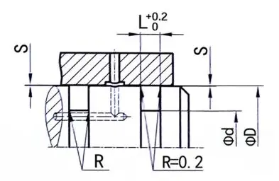
RCR116
Dimensione dell'ordine
Φd ...... diametro esterno
Φd ...... diametro interno
L ...... larghezza della scanalatura
|
Finitura superficiale |
R tmax (μm) |
RA (μm) |
|
Guarni di gomma/poliuretanica abbinati a scorrimento scorrevole Sollegamenti di PTFE per corrispondenza scorrevole |
≤2,5
≤2 |
≤0.1-0.5
≤0,05-0.3 |
|
Groove Bottom Strano di scanalatura |
≤6.3 ≤15 |
≤1.6 ≤3 |
|
Rapporto di lunghezza del supporto del profilo TP |
50%-95% |
|
|
Tolleranza |
|
|
Φd |
F8 |
|
Φd |
H8 |
Esempio di ordinazione
Modello: RCR116
Dimensione della scanalatura: 100x89x4.2
Materiale: ptfe4+nbr

Tipo di sigillo: RCR116
Applicazione principale: Adatto per guarnizioni dell'estremità rotante, escavatori, colpi, giunti rotanti, distributori rotanti.
Vantaggi: è adatto per una vasta gamma di media e temperatura, ha un buon effetto di tenuta, dimensioni ridotte della sezione, forte resistenza all'olio idraulico, a basso attrito e al fenomeno a slittamento.
Materiale: tetrafluoroetilene + gomma nitrile o fluorobber
|
Esempi di groove sigilla |
Di seguito sono riportate le dimensioni della scanalatura standard (è possibile produrre guarnizioni rotanti di qualsiasi dimensione all'interno dell'intervallo di dimensioni) |
||||||||
|
|
|
Φd |
Φd |
L |
R |
O-ring |
Gap massima di estrusione s |
||
|
100 bar |
200 bar |
||||||||
|
8-39.9 |
Φd-4.9 |
2.2 |
0.4 |
1.78 |
0.15 |
0.10 |
|||
|
40-79.9 |
Φd-7.5 |
3.2 |
0.6 |
2.62 |
0.20 |
0.15 |
|||
|
80-132.9 |
Φd-11.0 |
4.2 |
1.0 |
3.53 |
0.25 |
0.20 |
|||
|
133-329.9 |
Φd-15.5 |
6.3 |
1.3 |
5.33 |
0.30 |
0.25 |
|||
|
330-669.9 |
Φd-21.0 |
8.1 |
1.8 |
7.00 |
0.30 |
0.25 |
|||
|
> 670 |
Φd-28.0 |
9.5 |
2.5 |
8.40 |
0.45 |
0.30 |
|||

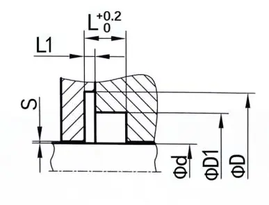
RCR117
Dimensione dell'ordine
Φd ...... diametro esterno
Φd1 ...... diametro esterno
Φd ...... diametro interno
L ...... larghezza della scanalatura
L1 ...... Larghezza scanalatura
|
Finitura superficiale |
R tmax (μm) |
RA (μm) |
|
Guarni di gomma/poliuretanica abbinati a scorrimento scorrevole Sollegamenti di PTFE per corrispondenza scorrevole |
≤2,5
≤2 |
≤0.1-0.5
≤0,05-0.3 |
|
Groove Bottom Strano di scanalatura |
≤6.3 ≤15 |
≤1.6 ≤3 |
|
Rapporto di lunghezza del supporto del profilo TP |
50%-95% |
|
|
Tolleranza |
|
|
Φd |
F8 |
|
Φd |
H8 |
Esempio di ordinazione
Modello: RCR117
Dimensione della scanalatura: 100x117.5x110.5x7.1x1.8
Materiale: Ptfe4+V.

Tipo di sigillo: RCR117
Applicazione principale: Adatto per la guarnizione dell'estremità dell'albero rotante, questo tipo di sigillo viene spesso utilizzato nelle industrie petrolifere e chimiche
Vantaggi: bassa attrito, resistenza alla corrosione, resistenza ad alta temperatura, adatto ad alta velocità
Materiale: PTFE, molla in acciaio inossidabile
|
Esempi di groove sigilla |
Di seguito sono riportate le dimensioni della scanalatura standard (è possibile produrre guarnizioni rotanti di qualsiasi dimensione all'interno dell'intervallo di dimensioni) |
|||||||||
|
|
|
Φd |
Φd |
FD1 |
L |
L1 |
Gap massima di estrusione s |
|||
|
20 bar |
100 bar |
200 bar |
||||||||
|
5-19.9 |
Φd+9 |
Φd+5 |
3.6 |
0.85 |
0.25 |
0.15 |
0.10 |
|||
|
20-39,9 |
Φd+12.5 |
Φd+7 |
4.8 |
1.35 |
0.35 |
0.20 |
0.15 |
|||
|
40-399.9 |
Φd+17.5 |
Φd+10,5 |
7.1 |
1.8 |
0.50 |
0.25 |
0.20 |
|||
|
≥400 |
Φd+22 |
Φd+14 |
9.5 |
2.8 |
0.60 |
0.30 |
0.25 |
|||



















































Indirizzo
No.1 Ruichen Road, parco industriale di Dongliuting, distretto di Chengyang, città di Qingdao, provincia di Shandong, Cina
tel