Ruichen è in prima linea nell'innovazione della tecnologia di tenuta. I sigillo di polvere ad alta pressione sviluppati in modo indipendente ancorano con precisione le esigenze a prova di polvere delle parti in movimento e utilizzano anelli di polvere PTFE e O-ring per creare una protezione eccellente. Quando si lavora, l'O-ring si applica un precarico stabile per compensare sempre l'usura dell'anello PTFE, garantendo la stabilità a lungo termine del sigillo; L'anello di polvere utilizza materiali di riempimento antimbarcale per resistere fortemente all'invasione della polvere. Ad esempio, nelle articolazioni dei cilindri idraulici dei macchinari di costruzione, di fronte alla polvere sul cantiere, le guarnizioni della polvere ad alta pressione bloccano efficacemente l'intrusione della polvere e garantiscono un funzionamento regolare del cilindro; Il collegamento altalenante alternativo del braccio robotico della linea di produzione automatizzata, i suoi sigilli di polvere proteggono le parti di precisione dall'interferenza della polvere e mantengono operazioni ad alta precisione; e il dispositivo di trasporto a spirale dell'attrezzatura mineraria, nell'ambiente della polvere di minerale, le guarnizioni della polvere ad alta pressione garantiscono un funzionamento stabile dell'apparecchiatura, riducono potenziali guasti ed prolungano la durata dell'attrezzatura. Ruichen Sealing si è concentrato sullo sviluppo approfondito per molto tempo. Facendo affidamento su un team professionale e su strutture all'avanguardia, non solo può personalizzare i materiali di tenuta ad alte prestazioni in base alle esigenze dei clienti e controllare in modo indipendente la qualità della produzione, ma anche riservare materiali ricchi e diversi come il polioximetilene, aiutando i clienti a superare vari problemi di sigillatura in una fermata e lavorare insieme per raggiungere nuove altezze nel settore.
Condizioni di lavoro di sigillatura a prova di polvere
| Profilo | Modello | Temperatura (℃) | Velocità (m/s) | Media |
![]() |
RCF01 | -35 ~+100 (O-ring corrispondente NBR) | 6 | Olio idraulico, emulsione, acqua, ecc. |
| -20 ~+200 (O-Ring FKM corrispondente) | ||||
![]() |
RCF02 | -35 ~+100 (O-ring corrispondente NBR) | 6 | Olio idraulico, emulsione, acqua, ecc. |
| -20 ~+200 (O-Ring FKM corrispondente) | ||||
![]() |
RCF03 | -35 ~+100 (O-ring corrispondente NBR) | 6 | Olio idraulico, emulsione, acqua, ecc. |
| -20 ~+200 (O-Ring FKM corrispondente) | ||||
![]() |
RCF04 | -35 ~+100 (O-ring corrispondente NBR) | 6 | Olio idraulico, emulsione, acqua, ecc. |
| -20 ~+200 (O-Ring FKM corrispondente) | ||||
![]() |
RCF05 | -35 ~+100 (O-ring corrispondente NBR) | 6 | Olio idraulico, emulsione, acqua, ecc. |
| -20 ~+200 (O-Ring FKM corrispondente) |
Esempio di ordinazione:
Modello d'ordine RCF01-80-PTFE3-R01
RCF01-Model Diametro a 80 alberi PTFE3-Universal Modificato PTFE R01 Materiale in gomma Matching Codice
In gomma nitrile (NBR) -R01 Fluorobber (FKM) -R02
Modello d'ordine RCF02-80-PTFE3-R01
Diametro RCF02-Model Diametro a 80 alberi PTFE3 modificato Generale Modificato PTFER01 Materiale in gomma Matching Codice
NBR (NBR) -R01 Fluorobber (FKM) -R02
Modello d'ordine RCFO3-80-PTFE3 -R01
RCF03-Model Diametro a 80 alberi PTFE3 Generale modificato PTFE R01 Materiale Materiale Matching Codice
In gomma nitrile (NBR) -R01 Fluorobber (FKM) -R02
Modello d'ordine RCF04-80-PTFE3-R01
RCF04-Model Diametro a 80 alberi PTFE3 Generale modificato PTFE R01 Materiale con abbinamento Materiale
In gomma nitrile (NBR) -R01 Fluorobber (FKM) -R02
Modello d'ordine RCF04-80-PTFE3-R01
RCF04-Model Diametro a 80 alberi PTFE3 Generale modificato PTFE R01 Materiale con abbinamento Materiale
In gomma nitrile (NBR) -R01 Fluorobber (FKM) -R02
Modello d'ordine RCF05-80-PTFE3-R01
RCF05-Model Diametro a 80 alberi PTFE3 Generale modificato PTFE R01 Materiale con abbinamento Materiale
In gomma nitrile (NBR) -R01 Fluorobber (FKM) -R02
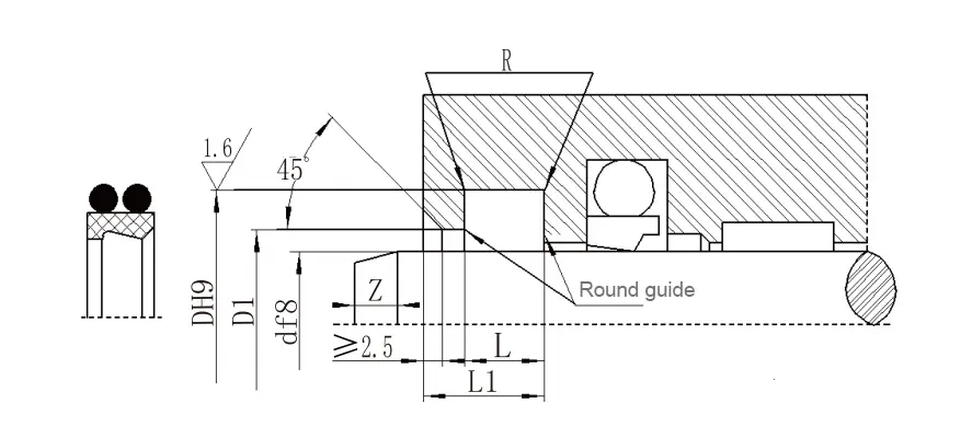
Specifiche:
| Possono essere fornite specifiche RCF01 (prodotti di qualsiasi dimensione all'interno dell'intervallo dei parametri) | ||||||
| Intervallo di diametro dell'albero D F8 |
Diametro del groove D H9 |
Larghezza della scanalatura L+0.2 |
Diametro del foro aperto D1 H11 |
Larghezza del foro aperto a≥ |
Angoli arrotondati R≤ |
Diametro del filo dell'o-ring D0 |
| 19 ~ 39 | D+7,6 | 4.2 | D+1.5 | 3 | 0.8 | 2.65 |
| 40 ~ 69 | D+8.8 | 6.3 | D+1.5 | 3 | 0.8 | 2.65 |
| 70 ~ 139 | D+12.2 | 8.1 | D+2.0 | 4 | 0.8 | 3.55 |
| 140 ~ 399 | D+16.0 | 9.5 | D+2,5 | 5 | 1.5 | 5.30 |
| 400 ~ 649 | D+24,0 | 14 | D+2,5 | 8 | 1.5 | 7.00 |
| 650 ~ 1500 | D+27.3 | 16 | D+2,5 | 10 | 2.0 | 8.60 |
| RCF02, Tabella dei parametri delle specifiche RCF03 (è possibile fornire prodotti di qualsiasi dimensione all'interno dell'intervallo dei parametri) | ||||||
| Intervallo di diametro dell'albero D F8 |
Diametro del groove D H9 |
Larghezza della scanalatura L+0.2 |
Diametro del foro aperto D1 H11 |
Larghezza del foro aperto a≥ |
Angoli arrotondati R≤ |
Diametro del filo dell'o-ring D0 |
| 4 ~ 11 | D+4.8 | 3.7 | D+1.5 | 2 | 0.4 | 1.8 |
| 12 ~ 64 | D+6.8 | 5 | D+1.5 | 2 | 0.7 | 2.65 |
| 65 ~ 250 | D+8.8 | 6 | D+1.5 | 3 | 1.0 | 3.55 |
| 251 ~ 420 | D+12.2 | 8.4 | D+2.0 | 4 | 1.5 | 5.30 |
| 421 ~ 650 | D+16.0 | 11 | D+2.0 | 4 | 1.5 | 7.00 |
| 651 ~ 1500 | D+20,0 | 14 | D+2,5 | 5 | 2.0 | 8.60 |
| Tabella dei parametri delle specifiche RCF04 (è possibile fornire prodotti di qualsiasi dimensione all'interno dell'intervallo dei parametri) | ||||||
| Intervallo di diametro dell'albero D F8 |
Diametro del groove Dh9 |
Diametro del passo D1 H11 |
Larghezza della scanalatura L+0.2 |
Larghezza complessiva L1 |
Angoli rotondi Rmax | Lunghezza del smistamento Zmin |
| 20 ~ 39,9 | D+7,6 | D+1 | 4.2 | 8.2 | 0.4 | 3 |
| 40 ~ 69,9 | D+8.8 | D+1.5 | 6.3 | 10.3 | 1.2 | 4 |
| 70 ~ 139,9 | D+12.2 | D+2.0 | 8.1 | 12.1 | 2 | 6 |
| 140 ~ 399,9 | D+16.0 | D+2.0 | 11.5 | 15.5 | 2 | 8 |
| 400 ~ 649,9 | D+24,0 | D+2,5 | 15.5 | 19.5 | 2 | 10 |
| 650 ~ 1000 | D+27.3 | D+2,5 | 18.0 | 23.0 | 2 | 12 |
| Tabella dei parametri delle specifiche RCF05 (è possibile fornire prodotti di qualsiasi dimensione all'interno dell'intervallo dei parametri) | ||||||
| Intervallo di diametro dell'albero D F8 | Diametro del groove Dh9 | Diametro del passo D1 H11 | Larghezza della scanalatura L+0.2 |
Larghezza laterale L1 |
Angoli rotondi Rmax |
Lunghezza del smistamento Zmin |
| 100 ~ 229 | d+22.2 | D+10.7 | 6.3 | 4.2 | 1.2 | 6 |
| 230 ~ 299 | D+24.2 | D+10.7 | 6.3 | 4.2 | 1.2 | 8 |
| 300 ~ 629 | D+33,0 | D+15.1 | 8.1 | 6.3 | 1.2 | 10 |
| 630 ~ 1000 | D+36.5 | D+15.1 | 9.5 | 6.3 | 2 | 12 |
Applicazione:
Utilizzato principalmente in macchinari agricoli, presse idrauliche, macchine per stampaggio a iniezione, sistemi di controllo idraulico, carrelli elevatori, presse per rulli, gru, macchinari di carico e scarico, ecc.











Indirizzo
No.1 Ruichen Road, parco industriale di Dongliuting, distretto di Chengyang, città di Qingdao, provincia di Shandong, Cina
tel